在工业发展中,大规模使用化石燃料导致温室气体排放过量,使温室效应不断增强,由此引发了日益严重的气候变化问题,控制碳排放以减缓全球气候变暖已成为全球共识。在2020年9月召开的第七十五届联合国大会上,中国提出“二氧化碳排放力争于2030年前达到峰值,努力争取2060年前实现碳中和”的目标。
随着“双碳”目标的提出,传统化石燃料的使用逐渐减少,风能、太阳能、生物质能等清洁可再生能源得到大规模利用。截至2020年,石油仍占全球能源结构最大份额,约占31.2%;煤炭为第二大能源,占一次能源消费总量的27.2%;天然气和可再生能源份额分别升至24.7%和5.7%。然而,我国清洁能源资源分布不均,我国风能资源丰富的地区主要分布在东北、华北、西北等区域,而太阳能资源的地区性差异较大,总体水平面辐射量表现为西部地区大于中东部地区,全国平均年水平面总辐射量约为1 493.4 kW·h/㎡。
为了优化不同地区能源的使用,基于因地制宜、梯级利用的思路和多能互补理论,建立了综合能源系统(Integrated EnergySystem,IES)。可再生能源的使用减少了环境污染,但也带来了弃风、弃光等新问题。
IES将区域内的能源进行整合优化,利用各种先进供能技术,满足区域内用户对冷、热、电等负荷的需求。IES显著提高了能源利用率及能源效率,促进了区域可持续发展,减少了环境污染。热泵作为一种高效节能设备,在供热及制冷方面得到了大规模使用,许多学者提出将热泵与IES结合,既提高了系统性能,也扩大了热泵的应用场景,使热泵成为IES中的关键设备之一。
文献[基于光气电混合供能的区域综 合能源系统优化配置研究]将热泵应用于光-气-电混合供能的区域IES,分析了不同运行模式下的系统容量配置及出力水平,证明热泵供热具有更好的成本及效率优势。
文献[考虑储能寿命特性的综合能源系统经济-灵活多目标优化运行策略]选取典型的电-气-热能源系统框架并建立数学模型,以灵活性及运行成本为目标,确定系统最佳运行方案,其中地源热泵出力最稳定,起主要供热作用。
目前,热泵在IES中有着广泛的应用,但分析多针对某一热泵在某一具体系统的应用,很少有总结分析热泵在IES中应用的文章。本文简要分析热泵在IES中的研究及应用现状,并对热泵的应用进行展望,为其将来在IES中的研究提供一定的参考。
01
IES及热泵技术背景
传统能源系统单一的能源结构特性造成了能源利用率低、供能可靠性差等问题。多种能源在时空特性、供能方式及经济效益的差异,通过耦合、互补实现能源横向统一规划与协调优化,是解决上述问题的重要方法。
IES在一定区域内利用先进的物理信息技术和创新管理模式,整合区域内煤炭、石油、天然气、电能、热能等多种能源,实现多种异质能源子系统之间的协调规划、优化运行,协同管理、交互响应和互补互济,在满足系统内多元化用能需求的同时,有效地提升能源利用效率,促进能源可持续发展。
IES是由供能网络、能源转换环节、能量储存环节、终端综合能源供用单元(微电网等)和终端用户共同组成。
IES的能源转换环节一般由燃煤锅炉、燃气冷热电联供(CCHP)机组、光电机组、风电机组及热泵组成。其中,燃煤锅炉与风电机组、光电机组承担系统的电负荷,燃气CCHP机组及热泵主要提供系统的冷热负荷。CCHP系统受限于自身固有运行特性,在满足冷热负荷时往往电能过剩,产能与用能难以协调,降低了系统的运行效率。而热泵可以根据自身的供热及供冷能力调CCHP系统的冷热负荷,进而提高系统运行效率,在系统中发挥着重要作用。
本文主要讨论了热泵在IES中的相关研究及应用,将热泵的冷-热-电转化能力与IES集成,最终实现工业及民用领域低碳化供冷供热的目标。
02
热泵在IES中的应用
热泵技术因其高效率及低污染的特点在IES中得到了广泛应用,根据热泵在IES中的作用,将应用场景其分为两大类:第1类是热泵作为供能单元在IES中起着供热或冷的作用;第2类是热泵作为储能单元在能源系统中起着储存能量的作用。
01
热泵作为供能单元
热泵作为一种IES中的高效供热或制冷设备,可基于能量来源的不同被分为空气源、土壤源、水源及余热等4种。
1.1空气源热泵技术
随着“双碳”目标提出,我国能源结构持续优化,清洁能源行业迅速发展。在诸多新能源技术中,空气源热泵技术以其低排放及节能性在农业、工商业、建筑和生活等领域得到了广泛应用,特别是在北方“煤改电”项目中发挥着重大作用。热泵以空气能作为能量来源,适用范围广,投资成本低,效率高,具有较好的经济效益以及环境效益。
文献[综合能源服务项目新增热泵系统的案例分析]以北方某园区天然气分布式能源系统为实例,结合冷热负荷数据,论证了在原系统中增加空气源热泵的必要性,新增空气源热泵后的烟气余热深度回收系统流程如图1所示。通过对比不同电价下空气源热泵与直燃机系统的运行费用,确定了冬季夜间空气源热泵的运行策略。
空气源热泵的配置容量选用2个方案:方案1是夜间供热全部由空气源热泵满足,方案2是夜间供热由空气源热泵和直燃机共同满足,其中75%的负荷由空气源热泵承担。对比2个方案的经济性,结果为:方案1可节约供暖运行费用61.21万元/a,静态投资回收期为12.25 a;方案2可节约供暖运行费用42.45万元/a,静态投资回收期为10.74 a。推荐采用方案2的配置。
文献[空气源热泵分布式能源站在寒冷地区的应用]介绍了空气源热泵在寒冷地区的应用,通过采用超低温喷气增焓涡旋式空气源热泵机组,建立了集中供暖分布式能源站,运行原理如图2所示(V表示阀门)。根据粒子群算法,以全生命周期成本为目标进行了系统优化分析。最后得到结果表明,空气源热泵容量配比最优值为16.3%,此时热泵与蓄热电锅炉系统的供暖季综合能效比可达2.56,明显优于系统采用单一电锅炉时的0.66和电锅炉配合蓄热装置的1.40。

图1新增空气源热泵后的
烟气余热深度回收系统流程

图2蓄热电锅炉与空气源热泵
运行原理
文献[空气源热泵与天然气分布式能源耦合系统的技术经济性能分析]分析了空气源热泵与天然气分布式能源耦合系统的技术经济性能,根据设备容量及运行策略的不同,提出了3种分布式供能方案,并与常规供能方案对比。对比结果表明,3种方案中的最佳耦合方案可将综合能源利用效率提高19%,将冬季燃气消耗减少55%,将成本降低11.6%,具有较好的经济效益。
空气源热泵利用空气能供热,应用范围广、效率高、系统运行成本低,但在低温环境特别是0℃以下时,效率大幅降低,还会出现结霜问题,需要设置除霜系统以提高热泵效率。
1.2土壤源热泵技术
随着我国冬季供暖需求区域不断扩大,供热边界线不断南移,需求的快速增长带来了能源消耗的急剧增加。为此,国家能源局提出“到2035年地热能供暖面积比2025年翻一番”的目标,要求重点推进中深层地热能供暖,积极开发浅层地热能资源,高效替代燃煤供暖。
目前土壤源热泵技术的研究已经比较成熟,可大规模发展利用,但土壤源热泵和其他能源耦合的多能源供能系统研究还比较少,其耦合运行特性需进一步研究。采用土壤源热泵与多种能源耦合,发展多能利用的耦合系统,实现多种能源优势互补,将是未来土壤源热泵的发展方向。
文献[主动式热平衡NG-CHP与GSHP耦合分布式系统集成研究]通过对天然气与浅层地热能的耦合能源系统研究,发现目前的耦合方式都无法解决的2个问题:第1个是含硫低温烟气由于酸露点的存在而难以被深度回收利用;第2个是无法从本质上解决地源热泵的低温热源热失衡问题。
基于这2个问题,提出了一种新型天然气分布式热电联产(GHP)与土壤源热泵(GSHP)一体化能源系统,如图3所示。借助Aspen-plus进行模拟计算,新系统总能系统效率达到82.7%,㶲效率为28.8%,对比参比系统(传统天然气发电机组与地源热泵简单并联耦合系统)效率有了显著提高,为中低温烟气高效应用提供了新的解决途径。

图3新型天然气分布式能源与
地源热泵一体化能源系统
文献[夏热冬冷地区区域供能系统供冷季的运行策略研究]以一次能源节约率与成本节约率为优化目标,利用eQUEST软件模拟夏热冬冷地区典型公共建筑的冷热负荷,以此对燃气分布式能源系统与土壤源热泵耦合的供能系统供冷运行进行了优化研究,以年折算费用最小为优化目标,得到供冷管网供回水最佳温差为6.3℃。土壤源热泵的运用弥补了燃气分布式能源系统单独运行的不足,提高了系统的经济性与节能性。
文献[基于土壤源热泵的宝鸡市某项目区域能源站规划研究]以宝鸡市某大型区域能源项目为研究对象,通过对比不同能耗模拟软件的适用性,选择TRNSYS软件进行模拟工作,得到区域全年动态冷热负荷指标,最后结合地热资源条件,确定了土壤源热泵的设计参数。能源站的设计在满足区域内负荷的同时使土壤取热量和排热量基本保持一致,不平衡率仅为9.79%。
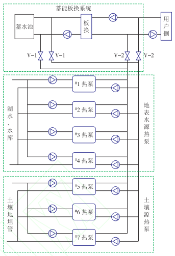
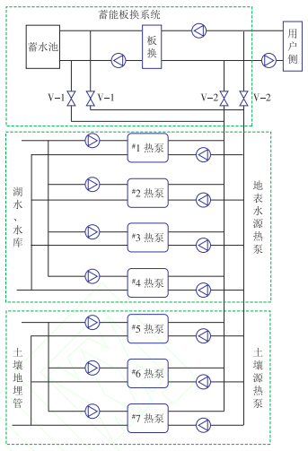
文献[北京市某科技商务中心区域综合能源系统规划]以北京市某科技商务中心能源供应为例,分析外部资源条件和区域用能特点,测算区域热负荷、冷负荷、生活热水负荷、天然气年耗气量和用电负荷,制定区域IES规划方案,采用燃气锅炉供热系统、燃气CCHP系统、太阳能生活热水系统、地埋管地源热泵系统、污水源热泵系统及太阳能光伏发电供电系统等供能方式,实现多能源协调优化互补,较好地满足区域能源需求。
其中,地源热泵工作流程如图4所示。在整个策划方案里,地埋管地源热泵系统提供冷热负荷,其年供热量达到806.959TJ,占总供热量的21.41%;年供冷量达到698.918TJ,占总供冷量的14.53%。地源热泵的使用有效提高了可再生能源的利用率,具有较好的经济效益及环境效益。

图4地埋管地源热泵系统流程
土壤源热泵技术的应用能够提高系统效率,缓解我国能源压力,但受限于地区的土壤热源情况,不同区域的热泵最佳配置不同,同时热泵的初投资成本较高,还需要考虑土壤的热平衡问题。
1.3水源热泵技术
水源热泵通过制冷剂吸收地下水、湖水、江水、城市污水、海水以及工业废水等水源中的低品位热能,然后提升为可用的高品位热能对水进行加热。水源热泵作为一种可再生能源利用技术,以其高效、节能、环保的优良性能得到了发展应用。
文献[区域能源系统一次能源梯级利用优化设计方法]以上海某商务区区域能源项目为例,考虑到冬季空气源热泵难以提供52.0℃的热水,提出了空气源热泵与水源热泵串级供热系统,如图5所示。在冬季运行时,空气源热泵产生30.0℃的热水,热水作为水源热泵的热源,之后水源热泵加热回水提供52.0℃的热水供用户使用。串联热泵系统在提高热泵供热温度的同时提高了发电自用比例,发电最大利用时长为2 687 h,自用比例为59.0%,CCHP系统的能源综合利用效率由78.0%提高到84.3%。水源热泵的使用实现了能源的梯级利用,节能减排效果显著。

图5空气源热泵与水源热泵
串级制热系统流程
文献[含水源热泵的区域综合能源系统低碳运行优化研究]针对区域IES冬季供暖受“以热定电”的限制,提出在水源充沛地区使用水源热泵实现热电解耦。综合考虑系统运行成本与碳排放成本。构建了区域IES低碳化运行的优化模型,如图6所示。引入水源热泵后,新型热电联产运行的经济成本降低了50.9%,碳排放成本降低了49.7%,同时大幅提高了系统的灵活性和能源利用效率。

图6含水源热泵的区域IES架构
水源热泵提高了系统运行效率,降低了运行成本,环境效益显著,同时可以与其他可再生能源供热系统耦合以解决冬季供热不足的缺点。但水源热泵受水源水质影响,需要注意机组的腐蚀问题。
1.4余热回收热泵技术
我国工业生产的能源效率为20%~60%,余热总量大。工业余热广泛存在于冶金、建材、食品及化工等行业,而我国对工业余热的回收率仅有30%,节能潜力巨大。将余热充分回收、利用,可降低能源消耗量,是节能减排的有效途径。常规天然气锅炉排放的烟气含有大量水蒸气,若未能将烟气降低到露点温度则水蒸气的冷凝潜热难以回收。
文献[基于电动热泵的天然气锅炉余热深度回收研究]采用电动热泵和间壁式换热器回收天然气余热,余热回收系统如图7所示。烟气回收的试验结果表明,余热回收后烟气的平均排烟温度为33.1℃,远低于之前的67.1℃,热泵的平均制热性能系数达到5.4。同时经济性分析表明,余热回收系统每采暖季可节省87 746.44元,投资回收期为2.2 a。余热回收系统显著提高了天然气能源利用效率,同时具有较好的烟气“消白”效果。

图7烟气余热回收系统
文献[耦合热泵换热器的原理及变工况性能研究]提出了一种新型耦合热泵用来回收工业余热制取高温热水,如图8所示。通过对耦合循环的分析,该循环能回收工业余热制取130.0℃的高温热水或蒸汽,当制取热水温度达到133.0℃时,热泵性能系数达到3.6。该循环提供了一种制取高温热水的新途径,在能源系统中具有一定的应用价值。
文献[燃煤热电厂串并联耦合吸收式热泵 供热系统研究]采用品位分析法研究了中国北方某200 MW燃煤热电厂典型热泵供热系统的节能潜力,发现二次换热器损失占系统总损失的48.6%,热泵供热量仅占系统总供热量的63.9%。为了充分发挥吸收式热泵在燃煤电厂供热系统中的节能性,提出一种由两级第一类溴化锂吸收式热泵并联耦合而成的新系统,如图9所示(图中A,C,G,E分别代表吸收器、冷凝器、发生器和蒸发器,W代表汽轮机做的功)。新系统采用高压溴化锂吸收式热泵代替典型热泵供热系统中的二次换热器,在锅炉尾部增加余热回收换热器,利用排烟余热提升循环水品味,达到回收锅炉排烟余热的目的。
该系统以汽轮机抽汽为驱动热源,回收锅炉排烟和汽轮机排汽的低品位余热来加热热网水。分析结果表明,新系统的效率提高了10.5%,供热量提高了16.5%,年节煤量提高了59.2%,投资回收期为5.2 a。新系统的提出为燃煤电厂余热高效利用、节能减排提供新途径。

图8耦合热泵流程图
文献[第二类吸收式热泵在分布式能 源系统中的应用]为了提高分布式能源系统的效率利用第二类吸收式热泵代替闭式冷却塔回收缸套水余热生产高品位蒸汽,以安徽某工业园分布式能源站的冬季工况为例,与冷却塔相比,增加第二类热泵后系统效率提高了6.7%,㶲损失减少了4.4%。余热回收热泵技术提高了能源利用率,降低了碳排放,有着较高的应用价值。针对不同的余热热源情况,选择适宜的热泵循环,是实现热能的高效利用将是耦合的关键。
1.5热泵技术对比分析
不同热泵技术具有不同的运行特性,上述4类热泵的参数对比见表1。4类热泵的适用范围及能效均不同,为了更好的发挥热泵的作用,研究新型热泵对现有热泵循环进行改善,以提高热泵循环性能,将是一个重要的研究方向。同时由于IES中多种能源的使用,供能单元存在不同的耦合方式,研究热泵与系统的耦合特性,进行最优化运行设计,以实现系统的低碳化及高效化运行,这将是另一个重要研究方向。

图9并联耦合吸收式热泵供热系统
表1热泵参数对比

02
热泵作为储能单元
随着“双碳”目标的提出,具有高效率、低污染特性的可再生能源得到大规模发展。然而由于新能源具有较强的随机性、波动性、难以预测性以及可调度性差的特点,直接导致了可再生能源大规模利用时的弃风、弃光等问题。储能技术能够在时间以及空间尺度上储存能量,在合适的时间再放出,实现对能量的消纳。本节将从热泵的储热(冷)及储电2方面来介绍热泵在系统中的储能特性。
2.1储热(冷)
储热技术是以储热材料为媒介将太阳能光热、地热、工业余热、低品位废热等热能储存起来,在需要的时候释放,解决由于时间、空间或强度上的热能供给与需求间不匹配带来的问题,最大限度地提高整个系统的能源利用率。储热技术主要分为显热储热、潜热储热与热化学储热三大类。目前显热储能仍是应用最广泛、技术研究最成熟的储能技术,水作为常见的显热材料在低温应用领域以及大规模储能中得到了大范围应用。
热泵作为一种节能装置,也具有储能作用,其储能原理如图10所示。热泵在提供冷热负荷后,若仍有剩余能量,即可将之存储进储能装置;当有需要时,可以将储存的热能直接用于供能。热泵储能一方面可以削峰填谷,实现对电能的消纳,另一方面可以储存热量,保证热量的平滑输出,提高系统效率。

图10热泵储能原理
文献[一种柔性超级热泵:CN216347158U]提出了一种柔性超级热泵专利技术,如图11所示。它解决了热泵受冷热负荷制约而难以参与电网调峰的应用难题。与普通水蓄热罐相比,柔性超级热泵利用相变装置储存热量,储热介质为循环工质。该热泵在电网低负荷时储存高温循环介质,电网高负荷时利用储存的高温介质完成冷热负荷供应,从而达到对可再生电力的消纳,实现对电网主动调峰。

图11柔性超级热泵流程
文献[储能式地热能综合能源系统效益分析]以雄安新区12万㎡的组团式建筑群为研究对象,提出了多能互补式和储能式2种地热能利用系统方案,储能式方案如图12所示。通过模拟计算分析了初始投资、运行成本、能源节约、费用年值等能源系统综合效益评价指标。结果表明:与多能互补式方案相比,储能式方案的初始投资减少14.6%,运行成本降低7.1%,费用年值降低9.9%,故储能式系统更优。

图12储能式系统
文献[冷热双蓄与热泵耦合的综合能源系统经济效益分析]以郑州市某商务办公楼建筑为研究对象,提出了冷热双蓄与热泵耦合的IES,如图13所示。与空气源热泵直接供冷供热对比,耦合系统的投资回收期缩短了2.77 a,具有较好的经济效益。

图13热泵与冷热双蓄耦合示意
文献[含地源热泵与混合储能的区域能源 系统协同调度]将地源热泵及混合储能系统引入区域IES,以地源热泵系统解耦CCHP机组“以热定电”约束,以系统运行成本最小为目标建立了包含能量转换、能量储存在内的区域IES模型。通过对系统进行仿真分析,地源热泵的加入能有效吸收负荷低谷期的弃风、弃光,提高了可再生能源消纳量,夏季典型日下系统总运行成本降低了41.1%,系统结构如图14所示(v代表阀门)。
在IES中加入储能装置,提高了能源利用效率,降低了系统运行成本,最大程度地缓解了弃风、弃光等问题,但同时储能装置的加入也增加了系统的复杂程度,须针对不同的系统确定最优运行策略。
2.2储电
储电通常指利用介质或设备将电能储存,在需要的时候将所储存能量转化为电能释放。储电技术是解决可再生能源不稳定性及间歇性,实现电力系统削峰填谷的关键技术之一。目前的储电技术主要包括抽水蓄能、压缩空气储能、电池储能、飞轮储能、超导储能与超级电容储能等。只有压缩空气储能与抽水蓄适合100 MW级以上大规模储能,但这2种技术都受限于地理位置。因此,需要找到一种新的受地理位置限制较小的大规模储电技术。热泵储电就是一种成本低、能量密度高、不受地理位置限制的新型物理储电技术。

图14地源热泵系统结构
热泵储电的原理如图15所示(图中W代表电量;QC代表与蓄冷器的换热量;QH代表与蓄热器的换热量)。在储能阶段,热泵利用电能驱动逆向动力循环,将低温热能输送至高温状态并存储,从而获得低温冷能和高温热能;在放能阶段,利用储存的低温冷能和高温热能驱动正向动力循环,依靠循环产生的机械能驱动发电单元放电。热泵储电的效率受蓄热器和蓄冷器影响较大,而蓄热装置的特性又由储能介质决定,研究性能更好的储热材料是热泵储电的研究热点。
文献[新型热泵储电系统的设计方案 及其性能分析]基于新型相变熔盐胶囊的换热特性,提出了一种新型热泵储电系统。结合对系统的热力学性能与做功过程的分析,发现与传统热泵储电系统相比,系统内最高温度降低了418 K,同时新型热泵储电系统储能密度提高了221.8 kW·h/m³,降低了系统占地面积,减小了系统初期投资。
文献[基于相变储能介质热泵储电 系统的模拟与分析]以相变材料为储能介质,以氩气为工作流体,建立了一个基于逆向布雷顿循环的热泵储电系统,模拟分析了储能密度、功率密度与往返效率等参数性能,结果表明:储能密度相比显热材料提高了118.5%,往返效率达到63.1%,功率密度达到175.8 kW/m³,节约了约12%的初投资费用。

图15热泵储电循环
热泵储电作为一种新型的大规模储电技术,低成本、高效率以及高灵活度使得其在当前能源背景下有着较高的应用潜力,但由于该技术尚不够成熟,还需要进一步的深入研究来实现大规模应用。
03
展望及结束语
在“双碳”目标下,可再生能源得到大规模发展,基于不同能源进行整合优化,利用各种先进供能技术实现对冷、热、电负荷供应的IES得到了深入研究。热泵作为一种节能技术在IES中发挥着重要作用,本文将热泵的作用分为供能与储能2部分分别进行了简单介绍。
(1)热泵作为供能单元时,基于不同的能量来源可以分为空气源、水源、土壤源以及余热回收型热泵,热泵的使用明显提高了系统的能源利用率,降低了系统的运行成本,减少了碳排放及运行成本。
(2)热泵作为储能单元时,能够有效解决热电联产时的“以热定电”问题,实现热能的跨时间及空间利用,解决供需不匹配问题;同时可以实现对电力系统削峰填谷,消纳可再生能源弃电,缓解地区性用电供需不平衡问题。
IES通过资源整合、协调优化来促进可再生能源的消纳与节能减排,提高能源的利用率。基于国内外研究现状,热泵在IES中的应用聚焦于以下2个方面:一是根据需求侧响应选择适宜的热泵来匹配IES,实现系统的高效运行;二是根据不同热泵与系统的耦合特性,对IES的容量配置及运行策略进行优化研究,同时根据相关的示范工程,建立统一的评价体系,形成热泵应用的标准与规范,实现热泵的模块化运行,将是热泵应用的主要发展方向。
综上所述,热泵技术因其高效率及低排放在IES中有着广泛地应用。随着IES的发展,热泵与能源系统之间的耦合特性的研究尤为重要。热泵与IES其他单元的灵活高效匹配运行需要在设备及系统2个维度进行优化设计及调度,新型高效灵活低碳化热泵技术及IES优化设计调度将是未来的重点关注研究的领域。热泵作为一种高效节能装置,在供能及储能方向都有着明显的优势,将在“双碳”目标下的IES中得到更多的应用及推广。










